- Что такое электронная нагрузка?
- Можно ли электронную нагрузку заменить мощным постоянным резистором?
- Режим работы с постоянным током (CC)
- Режим работы с постоянным напряжением (CV)
- Режим работы с постоянным сопротивлением (CR)
- Режим работы с постоянным током (CP)
- Примеры использования электронной нагрузки
- Как выбрать электронную нагрузку?
Электронная нагрузка — это измерительный прибор, предназначенный для моделирования потребления электрического тока и поглощения энергии, получаемой от источника питания. Если вход электронной нагрузки подключить к блоку питания, то можно провести испытания этого блока питания путем имитации его нагрузки. Блоки питания и электронные нагрузки являются взаимодополняющим испытательным оборудованием. Блок питания позволяют тестировать электронные схемы в определённых рабочих режимах. Электронная нагрузка же позволяет протестировать источник питания или преобразователь, имитируя заданную нагрузку.
Электронная нагрузка — это программируемый прибор, который предлагает пользователю различные режимы работы. Наиболее часто можно встретить режимы работы с:
- постоянным напряжением (constant voltage, CV),
- постоянным током (constant current, CC),
- постоянной мощностью (constant power, CP)
- постоянным сопротивлением (constant resistance, CR).
На рисунке 1 показан график напряжения и тока электронной нагрузки.

Для большинства электронных нагрузок производитель указывает максимальный уровень мощности, который может быть «поглощён» прибором (кривая максимальной мощности на рисунке 1). Пользователь может управлять нагрузкой только в пределах значений напряжения и тока, ограниченных кривой максимальной мощности. Например, пользователь не может получить ток в 20 А от тестируемого устройства с напряжением 48 В. Напряжение и ток находятся в допустимых диапазонах, но потребляемая мощность (960 Вт) выходит за пределы максимального значения рассеиваемой мощности нагрузки, равного 200 Вт.
Для чего нужна электронная нагрузка?
Инженеры используют электронные нагрузки для тестирования различных силовых устройств:
- источники питания,
- преобразователи постоянного тока (DC-DC преобразователи),
- зарядные устройства,
- сетевые адаптеры,
- аккумуляторы,
- солнечные батареи,
- элементы питания
и других.
Можно лиэлектронную нагрузку заменить мощным постоянным резистором?
В ситуациях, когда вам нужна чисто резистивная нагрузка и не требуется управление с использованием обратной связь, то мощного постоянного резистора будет вполне достаточно. Однако, постоянный резистор имеет много ограничений. Он не подходит для нагрузки и тестирования источников питания в случае испытаний. Для подобных задач требуются элементы электронной загрузки, которые позволяющие проверять различные рабочие режимы.
Адаптация к изменениям при использовании постоянных резисторов — трудоемкая задача, требующая большого числа номиналов резисторов, коммутационных матриц и соответствующего программного обеспечения для управления. В этом случае, контролировать или ограничивать напряжение или ток, потребляемые нагрузкой, не получится. Пользователь должен учесть вопросы защиты тестируемого устройства, чтобы избежать его потенциального повреждения.
Электронная нагрузка обеспечивает большую гибкость, позволяя использовать различные уровни мощности в различных режимах. Как мы отметили ранее, наиболее распространенными режимами работы электронной нагрузки являются режимы CC, CV, CR и CP.
Электронная нагрузка имитирует различные сценарии и реальные устройства, подключаемые к вашему источнику питания. Использование постоянного резистора не позволяет автоматизировать тестирование и с ним нельзя имитировать динамику поведения реального устройства. С ним сложно, при необходимости, адаптироваться к изменениям в требованиях к тестированию.
Рабочие режимы электронной нагрузки
Постоянный ток (CC)
Это наиболее распространенный режим, в котором используется электронная нагрузка. В режиме постоянного тока нагрузка потребляет заданный ток, независимо от напряжения, выдаваемого подключенным к ней источником напряжения (например, батареей).
Предположим, у нас есть батарея напряжением 3 В, и мы хотели бы разрядить ее постоянным током величиной в 1 А (см. рисунок 2). Рабочая точка — это заданное значение (напряжения и тока), при котором выходное напряжение батареи пересекает на графике постоянный ток электронной нагрузки (вертикальная линия).

На рисунке 3 показано, как электронная нагрузка регулирует свое сопротивление для получения заданного тока при подключении к источнику напряжения.

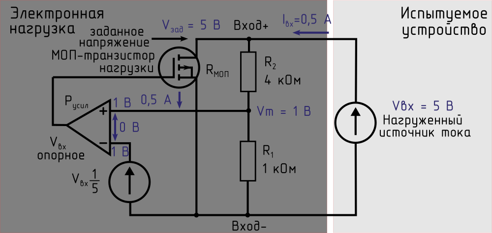
Когда электронная нагрузка работает в режиме CC, она нагружает выход внешнего источника напряжения (например, батарею с напряжением 3 В) на переменный резистор для достижения заданного тока. В большинстве электронных нагрузок используются силовые МОП- или IGBT-транзисторы, которые работают как переменный резистор для регулирования тока, подаваемого в нагрузку. Транзисторы, как правило, соединены параллельно для обеспечения большей мощности.
Ток, поступающий в нагрузку, контролируется с помощью шунтирующего резистора (например, 1 Ом). Падение напряжения, пропорциональное I*Rшунт, подается на усилитель тока. Усилитель тока сравнивает падение напряжения на токовом шунте с заданным значением (например, 1 А * 1 Ом = 1 В). Выходной сигнал усилителя регулирует сопротивление полевого транзистора и входной ток электронной нагрузки. Такая конфигурация обратной связи позволяет нагрузке динамически изменять сопротивление и поддерживать заданный ток, независимо от изменения напряжения источника питания.
Минимальное напряжение, при котором нагрузка может подавать требуемый ток, ограничено уровнем входного тока и характеристиками полевого транзистора при низком напряжении. На рисунке 4 показано минимальное напряжение в зависимости от заданного выдаваемого тока для модулей мощностью 100 Вт и 200 Вт с «программируемыми» перемычками с малым сопротивлением 80 мОм и 40 мОм.

Реализация потребления большого тока при низких напряжениях является сложной задачей и крайне необходимым свойством для электронных нагрузок. Способность получать ток при низких напряжениях является обязательным при тестировании элементов питания, микросхем управления питанием или других устройств, работающих при низких напряжениях и больших токах. Электронная нагрузка мощностью 200 Вт, показанная на рисунке 4 имеет программируемое сопротивление 40 мОм и позволяет выдавать ток до 1 А при входном напряжении до 40 мВ и 10 А при входном напряжении всего 0,4 В.
Постоянное напряжение (CV)
В режиме постоянного напряжения (CV) электронная нагрузка задает фиксированное выходное напряжение на клеммах, независимо от входного тока. В режиме CV, ток задаётся источником тока, подключенным к нагрузке, например, зарядным устройством для аккумуляторов или светодиодным драйвером. Нагрузка динамически регулирует свое сопротивление для достижения заданного напряжения при любом токе, выдаваемым тестируемым источником тока.
Тестирование зарядного устройства, работающего в режиме постоянного тока, является примером использования электронной нагрузки в режиме постоянного напряжения. Мы можем использовать нагрузку в качестве получателя тока разряда батареи, чтобы проверить работу зарядной цепи при различных напряжениях батареи, соответствующих конкретному уровню заряда.
Например, у нас есть зарядное устройство постоянным током 0,5 А, и требуется подключить его к постоянному напряжению 3,8 В, чтобы имитировать зарядку литий-ионного аккумулятора. Рабочей точкой является заданное значение, при котором уровень источника тока пересекает прямую линию постоянного напряжения электронной нагрузки, как показано на рисунке 5.

На Рис. 6 показано, как электронная нагрузка регулирует свое сопротивление для поддержания напряжения на клеммах при подключении к источнику тока.

Режим CV электронной нагрузки предназначен, как правило, для тестирования и нагрузки источника тока, например, цепи зарядного устройства. Электронная нагрузка подстраивает свое сопротивление для достижения заданного напряжения. Нагрузка контролирует входное напряжение с помощью делителя напряжения. Усилитель напряжения сравнивает потенциал делителя напряжения (пропорциональный напряжению на клеммах) с опорным напряжением (пропорциональным запрограммированному значению). Если измеренное напряжение превышает опорное, усилитель задействует полевой транзистор, пропорционально уменьшая его сопротивление RМОП, чтобы оно соответствовало заданному напряжению.
Такая конфигурация обратной связи позволяет электронной нагрузке динамически изменять свое сопротивление и поддерживать заданное напряжение независимо от изменения тока в источнике питания. Нагрузка регулирует потенциал своих выводов в соответствии с напряжениями и током в пределах своего диапазона вплоть до максимального напряжения, достижимого источником питания.
Напряжение на клеммах электронной нагрузки регулируется до заданного значения, если входной ток при этом остается в установленных пределах.
При достижении входным током предельного значения, электронная нагрузка перестает работать в режиме CV и входное напряжение перестаёт поддерживается постоянным. После этого электронная нагрузка регулирует входной ток в соответствии с установленным предельным значением тока. Если напряжение превышает допустимое значение или превышается максимальная мощность для указанного тока, то срабатывает защита от перенапряжения и вход нагрузки отключается.
Постоянное сопротивление (CR)
В режиме постоянного сопротивления (CR) электронная нагрузка действует как программируемый мощный резистор. Режим CR хорошо подходит для нагрузки источников напряжения или тока.
При подключении электронной нагрузки к источнику напряжения, она пропускает ток, равный потенциалу источника, деленному на заданное значение сопротивления.
При подключении электронной нагрузки к источнику тока, напряжение на ее клеммах равно приложенному току, умноженному на заданное значение сопротивления.
На рисунке 7 показана вольт-амперная характеристика схемы электронной нагрузки в режиме CR при подключении источника напряжения или тока.

Нагрузка 5 Ом, приложенная к источнику напряжения 3 В приведет к поглощению тока в 0,6 А.
Такая же нагрузка на источник тока 0,6 А приводит к напряжению нагрузки величиной 3 В.
Разрядка аккумулятора с использованием точной резистивной нагрузки для создания профиля конкретного аккумулятора является одним из примеров использования электронной нагрузки в режиме CR.
На рисунке 8 показана электронная нагрузка, работающая в режиме CR. Например, мы хотим подключить источник напряжения 5 В к мощному резистору сопротивлением 5 Ом. В режиме CR электронной нагрузке необходимо измерить как напряжение, так и ток, чтобы отрегулировать сопротивление полевого транзистора. Для достижения заданного сопротивления в 5 Ом, соотношение между напряжением и током V / I должно быть равным 5.

Для измерения источника напряжения необходим делитель напряжения, а для измерения тока — шунтирующий резистор. Управляющий усилитель сравнивает входное напряжение с входным током (падение напряжения на шунте умножается на заданное сопротивление) для регулирования входного сопротивления нагрузки под заданное значение. На рисунке 8 показано измерение тока при 1 В/А (шунтирующий резистор 1 Ом) и напряжения при 0,2 В/В (для делителя напряжения). Ошибка 0 В возникает при токе 1 А и входном сопротивлении 5 Ом (5 В / 1 А).
Если электронной нагрузке необходимо имитировать нагрузку с сопротивлением 10 Ом для источника напряжения 5 В, то это приведет к протеканию тока в 0,5 А в нагрузку. Падение напряжения на шунте составит 0,5 В. Для достижения такого же падения напряжения на усилителе обратной связи в 1 В необходимо увеличить его в 2 раза. Заданное опорное значение Rвх (10 × 1/5 = 2) определяет коэффициент умножения.
Возможно задать и динамически регулировать сопротивление нагрузки в пределах допустимого диапазона сопротивлений электронной нагрузки.
Постоянная мощность (CP)
В режиме постоянной мощности электронная нагрузка потребляет от испытываемого устройства (ИУ) постоянную мощность. Она регулирует потребляемую мощность в соответствии с заданным значением мощности. ИУ может быть источником напряжения или источником тока. При тестировании источника напряжения в режиме CP электронная нагрузка регулирует потребляемый ток, чтобы обеспечить заданный уровень мощности. При тестировании источника тока электронная нагрузка регулирует напряжение.
На рисунке 9 показана ВАХ электронной нагрузки при подключении к источнику напряжения в режиме CP. Нагрузка источника напряжения 5 В постоянной мощностью 1 Вт приводит к поглощению тока 0,2 А. Нагрузка источника тока током 0,2 А при той же постоянной мощности обеспечивает напряжение нагрузки 5 В.

Электронную нагрузку в режиме CP можно использовать для получения информации о времени автономной работы. Нагрузка разряжает батарею с постоянной мощностью и имитирует работу DC-DC преобразователя. На рисунке 10 показана работа нагрузки в режиме CP.

Например, у нас есть аккумулятор с напряжением 5 В и мы хотим разрядить его с фиксированной постоянной мощностью 1 Вт, имитируя работу DC-DC преобразователя. Электронной нагрузке в режиме CP необходимо измерить как напряжение, так и ток, чтобы отрегулировать сопротивление полевого транзистора для поддержания постоянной мощности в 1 Вт.
Электронная нагрузка контролирует входное напряжение через делитель напряжения, а измерение тока осуществляется через шунтирующий резистор. Электронная нагрузка измеряет потребляемую мощность путем умножения напряжения на ток (падение напряжения на шунте). Результат умножения подаётся на управляющий усилитель.
Управляющий усилитель сравнивает входную мощность с заданным значением мощности. Выходной сигнал усилителя регулирует проводимость полевого транзистора, которая управляет током, поступающим в нагрузку. Если измеренная мощность ниже заданной, усилитель пропорционально воздействует на полевой транзистор. Полевой транзистор увеличивает свою проводимость (ток, поступающий в нагрузку), чтобы соответствовать заданному уровню мощности.
Конфигурация обратной связи позволяет нагрузке динамически изменять свое сопротивление/проводимость для регулировки принимаемого тока. Она поддерживает одинаковую потребляемую мощность, независимо от изменений напряжения на источнике питания. Максимальная мощность, которую может потреблять нагрузка при низком напряжении, ограничена напряжением источника и минимальным программируемым сопротивлением короткому замыканию нагрузки V2 / Rшунта.
Разряд аккумулятора постоянной мощностью позволяет получить информацию о сроке службы аккумулятора. Это позволяет понять, как DC-DC преобразователь разряжает аккумулятор в аналогичных условиях. Во время разряда напряжение аккумулятора обычно снижается. Электронная нагрузка в режиме CP потребляет дополнительный ток для поддержания постоянной мощности.
Например, при разряде батареи с 5 В до 4 В в режиме CP мощностью 1 Вт начальный ток разряда составляет 0,2 А. При снижении напряжения батареи до 4 В ток разряда увеличивается до 0,25 А.
Примеры использования электронной нагрузки
- Тестирование силовых преобразователей и инверторов. Это быстрый способ тестирования DC-DC и AC-DC преобразователей. Электронная нагрузка помогает имитировать процесс включения устройства. Можно протестировать минимальный и максимальный уровень входного напряжения при различных уровнях нагрузки. С помощью электронной нагрузки можно проводить испытания на пульсацию, шум, регулирование нагрузки/силовой шины, защиту по току и защиту по напряжению.
- Тестирование источников бесперебойного питания (ИБП). Комплексное испытание, для которого требуется источник переменного тока, источник постоянного тока, нагрузка постоянного тока и нагрузка переменного тока. Для тестирования резервной батареи и зарядного устройства в ИБП используется блок электронной нагрузки постоянного тока. Для тестирования всей системы ИБП используется нагрузка переменного тока. Проверка уровня нагрузки показывает способность ИБП обеспечивать необходимую мощность, стабильность напряжения и эффективность систем управления при различных условиях нагрузки.
- Тестирование аккумуляторов и батареек. Используйте постоянную нагрузку, чтобы сократить время тестирования по сравнению с нагрузкой на резисторы. Для проверки емкости использется режим CP, который обеспечивает постоянную потребляемую мощность по мере того, как напряжение аккумулятора падает с течением времени. Возможность электронной нагрузки программировать различные профили нагрузки с быстрым переключением позволяет проводить тестирование профиля для циклов зарядки и разрядки аккумулятора.
- Тестирование солнечных панелей. Это хорошее решение для тестирования мощных фотоэлектрических систем, поскольку солнечные панели могут пропускать большой ток с небольшими потерями. Используйте режим CV для получения вольт-амперной характеристики и дополнительных напряжений для измерения тока. В случае портативных устройств электронная нагрузка программируется для имитации различных режимов питания устройства, таких как: спящий режим, режим энергосбережения и режим полной мощности, для проверки энергопотребления.
- Тестирование портативных устройств. Электронная нагрузка используется для моделирования различных режимов питания устройства, таких как спящий режим, режим энергосбережения и режим полной мощности для проверки энергопотребления.
Как выбрать электронную нагрузку
- Форм-фактор. Выбирайте модульное решение для обеспечения гибкости при масштабировании для расширения использования автоматизированного испытательного оборудования.
- Номинальная мощность. Убедитесь, что электронная нагрузка надежно управляет мощностью вашего источника питания. Убедитесь, что диапазон работы электронной нагрузки соответствует вашим максимальным требованиям к напряжению, току и мощности.
- Скорость. Выбирайте электронную нагрузку для эмуляции быстрых сигналов с соответствующей скоростью нарастания. Убедитесь, что электронная нагрузка может генерировать и измерять требуемые сигналы с достаточной полосой пропускания. Выбирайте нагрузку с программируемой скоростью нарастания и задержками включения/выключения для управления последовательностью. Выбирайте нагрузку с минимальным временем обработки команд и скоростью вывода, чтобы повысить и максимально увеличить пропускную способность вашей системы.
- Режимы работы. CC — для проверки энергопотребления. CR — для замены резистора. CV для проверки источника тока. CP для проверки энергоемкости.
- Динамическое тестирование. Выбирайте динамическую электронную нагрузку с возможностью генерации произвольных функций и встроенными формами сигналов для тестирования синусоидальных, импульсных, ступенчатых, пилообразных сигналов или для импорта ваших профилей. Убедитесь, что электронная нагрузка имеет достаточную частоту дискретизации для генерации/измерения быстрых переходных сигналов и достаточный объем памяти. Убедитесь, что электронная нагрузка генерирует произвольные динамические сигналы для необходимых режимов.
- Гибкость. Выбирайте модульную систему, позволяющую сочетать различные модули – модули электронной нагрузки и модули питания – в одном устройстве. Это позволяет упростить синхронизацию в рамках единой системы.
- Функции защиты. Убедитесь, что в электронную нагрузку встроены функции защиты от перенапряжения, перегрузки по току, перегрузки по мощности и перегрева. Убедитесь, что в вашем тестируемом устройстве есть функции отключения, чтобы избежать неприятностей.
- Компьютерное управление. Наличие интерфейсов подключения электронной нагрузки для удаленного программирования и управления прибором – GPIB, LAN или USB.
